Twój Koszyk jest pusty!
Grundfos ALPHA2 GO
Grundfos ALPHA2 GO to wysokowydajna pompa obiegowa z silnikiem elektronicznie komutowanym, przeznaczona do systemów grzewczych i klimatyzacyjnych. W połączeniu z aplikacją Grundfos GO umożliwia łatwą konfigurację, diagnostykę oraz optymalizację pracy instalacji.
Przegląd
Pompa została zaprojektowana do niezawodnej cyrkulacji cieczy w nowoczesnych oraz modernizowanych instalacjach. Inteligentne sterowanie pozwala na automatyczne dostosowanie pracy do aktualnych potrzeb systemu, co przekłada się na oszczędność energii i stabilną pracę.
Główne cechy
- Inteligentne sterowanie z trybami stałego ciśnienia, proporcjonalnego ciśnienia oraz stałej krzywej
- Tryb AUTOADAPT do automatycznej optymalizacji pracy
- Wejście PWM do precyzyjnego sterowania prędkością obrotową
- Łatwa instalacja dzięki nowemu złączu zasilania bez użycia narzędzi
- Ochrona przed pracą na sucho, wykrywanie i odpowietrzanie powietrza
- Wysoki moment rozruchowy oraz ceramiczny wał zapewniający długą żywotność
- Diagnostyka i historia pracy dostępne w aplikacji Grundfos GO
Dane techniczne
Jednostki sterujące
| • Falownik | Zintegrowany |
Ciecz
| • Pompowana ciecz | Woda |
| • Zakres temperatury cieczy | 2 – 110 °C |
| • Wybrana temperatura cieczy | 20 °C |
| • Gęstość | 998,2 kg/m3 |
Parametry hydrauliczne
| • Nominalny przepływ | 1,9 m3/h |
| • Nominalna wysokość podnoszenia | 3,26 m |
| • Orientacja głowicy pompy | 9H |
| • Zatwierdzenia | CE, VDE |
Materiały
| • Obudowa pompy | Żeliwo EN 1561 EN-GJL-150 ASTM A48M-150B |
| • Wirnik | Kompozyt PES 30% GF + PESU-GF 20% |
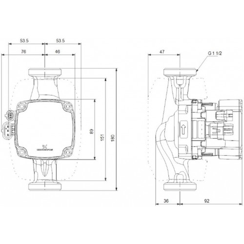
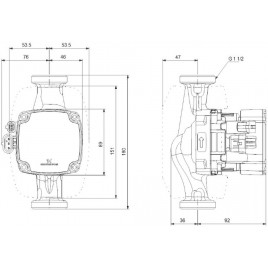
Instalacja
| • Zakres temperatury otoczenia | 0 – 55 °C |
| • Maksymalne ciśnienie robocze | 10 bar |
| • Standard przyłącza rurociągu | ISO 228-1 |
| • Typ przyłącza | G |
| • Rozmiar przyłącza | 1 1/2" |
| • Ciśnienie nominalne | PN 10 |
| • Długość montażowa | 180 mm |
Dane elektryczne
| • P1 min. | 3 W |
| • P1 max. | 37 W |
| • Częstotliwość sieci | 50 / 60 Hz |
| • Napięcie nominalne | 1 × 220–240 V |
| • Maksymalne zużycie prądu | 0,04 – 0,40 A |
| • Stopień ochrony | IP44 |
| • Klasa izolacji | F |
| • Ochrona termiczna | Elektroniczna |
Zdjęcia mogą różnić się od oryginalnego produktu/przedmiotu.












