Grundfos ALPHA1 GO – wysokowydajna pompa obiegowa do instalacji grzewczych i klimatyzacyjnych
Grundfos ALPHA1 GO to nowoczesna, energooszczędna pompa obiegowa z silnikiem elektronicznie komutowanym (ECM), przeznaczona do systemów grzewczych i klimatyzacyjnych. Dzięki inteligentnemu sterowaniu oraz szerokim możliwościom regulacji stanowi idealne rozwiązanie do wymiany starszych pomp obiegowych, w szczególności modeli Grundfos UPS zintegrowanych w kotłach i zestawach grzewczych.
Pompa oferuje trzy tryby regulacji: stałe ciśnienie, proporcjonalne ciśnienie oraz stałą krzywą, przy czym każdy tryb można ustawić na trzech poziomach wydajności. Z pomocą aplikacji mobilnej Grundfos GO możliwe jest odtworzenie charakterystyki oryginalnej pompy, co znacznie ułatwia modernizację istniejących instalacji.
Zalety
- Wysokowydajna pompa obiegowa z silnikiem ECM
- Trzy tryby regulacji: stałe ciśnienie, proporcjonalne ciśnienie, stała krzywa
- Trzy poziomy wydajności dla każdego trybu pracy
- Idealna do zastępowania pomp Grundfos UPS w kotłach
- Możliwość replikacji charakterystyki pompy za pomocą aplikacji Grundfos GO
- Bardzo niskie zużycie energii i cicha praca
- Niezawodna praca w instalacjach grzewczych i klimatyzacyjnych
Dane techniczne
Parametry hydrauliczne i medium
| • Nominalny przepływ | 1,65 m3/h |
| • Nominalna wysokość podnoszenia | 1,89 m |
| • Zakres temperatury cieczy | 2 – 110 °C |
| • Wybrana temperatura cieczy | 20 °C |
| • Gęstość | 998,2 kg/m3 |
| • Klasa temperatury | TF 110 |
Materiały
| • Korpus pompy | Żeliwo EN-GJL-150 (ASTM A48-150B) |
| • Wirnik | Kompozyt PES + 30 % włókna szklanego |
Instalacja
| • Zakres temperatury otoczenia | 0 – 55 °C |
| • Maksymalne ciśnienie robocze | 10 bar |
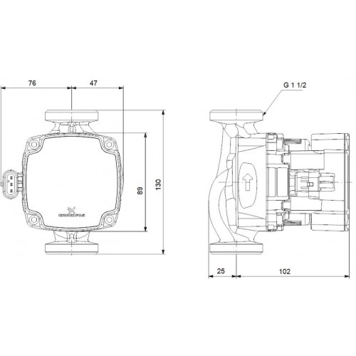
| • Standard przyłącza | ISO 228-1 |
| • Typ przyłącza | G |
| • Rozmiar przyłącza | 1 1/2" |
| • Klasa ciśnienia | PN 10 |
| • Długość montażowa | 130 mm |
| • Orientacja głowicy pompy | 9H |
Dane elektryczne
| • Pobór mocy P1 min. | 4 W |
| • Pobór mocy P1 max. | 27 W |
| • Częstotliwość zasilania | 50 / 60 Hz |
| • Napięcie znamionowe | 1 × 220–240 V |
| • Maksymalny pobór prądu | 0,06 A / 0,3 A |
| • Stopień ochrony | IP44 |
| • Klasa izolacji | F |
| • Ochrona termiczna | Elektroniczna |
Certyfikacja
| • Zatwierdzenia | CE, VDE |
Zdjęcia mogą różnić się od oryginalnego produktu/przedmiotu.








