CLAGE MCX 7 – mały elektroniczny przepływowy podgrzewacz wody 6,5 kW / 400 V
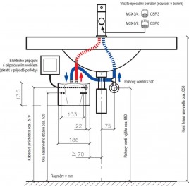
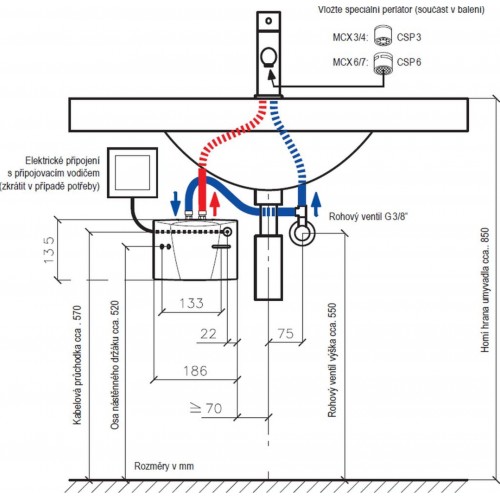
CLAGE MCX 7 to elektronicznie sterowany mały przepływowy podgrzewacz wody przeznaczony do energooszczędnego przygotowania ciepłej wody bezpośrednio przy umywalce lub małym zlewie. Urządzenie jest przeznaczone do instalacji ciśnieniowej z typowymi bateriami.
Woda podgrzewana jest bezpośrednio podczas przepływu – bez zbiornika i bez strat postojowych. Elektroniczne sterowanie mocy automatycznie dostosowuje moc grzewczą do aktualnego przepływu i temperatury wody, zapewniając stabilną temperaturę wyjściową do granicy wydajności urządzenia. Instalacja pod umywalką ogranicza straty ciepła w instalacji i zmniejsza zużycie energii.
Urządzenie przeznaczone jest do stałego podłączenia elektrycznego 400 V (2~ / PE). Instalację powinien wykonać wykwalifikowany elektryk.
Właściwości produktu
- Elektronicznie sterowany mały przepływowy podgrzewacz wody
- Natychmiastowe podgrzewanie wody bez zbiornika (system grzewczy IES®)
- Elektroniczne sterowanie mocy dla stabilnej temperatury
- Trzy stałe poziomy temperatury: 35 °C / 38 °C / 45 °C
- Klasa energetyczna A
- Instalacja ciśnieniowa
- Stałe podłączenie elektryczne 400 V (2~ / PE)
- Stopień ochrony IP25
- Możliwość rozbudowy o pilot zdalnego sterowania FX
- W zestawie komplet przyłączeniowy
Zastosowanie
- Umywalki w łazienkach i toaletach
- Pomieszczenia sanitarne w obiektach komercyjnych
- Małe aneksy kuchenne
- Możliwość podgrzewania wstępnie podgrzanej wody (np. system solarny)
Zakres dostawy
- Trójnik 3 × 3/8"
- Elastyczny wąż ciśnieniowy 2 × 3/8"
- Specjalny perlator oszczędnościowy CSP 6
Parametry techniczne
| Parametr | Wartość |
|---|---|
| Moc znamionowa | 6,5 kW |
| Napięcie | 2~ / PE 400 V AC |
| Prąd znamionowy | 16 A |
| Wydajność ciepłej wody (dT = 25 K) | 3,7 l/min |
| Min./maks. przepływ przy załączeniu | 1,5 / 3,7 l/min |
| Przyłącze wody | G 3/8" |
| Stopień ochrony | IP25 |
| Wymiary (W × S × G) | 13,5 × 18,6 × 8,7 cm |
| Masa z wodą | ok. 1,5 kg |
| Klasa energetyczna | A |
Zdjęcia mogą różnić się od oryginalnego produktu/przedmiotu.







