Wilo-Varios PICO-STG – wysokoefektywna pompa obiegowa
Elektronicznie sterowana, bezobsługowa pompa mokrobieżna z przyłączem gwintowanym i synchronicznym silnikiem ECM odpornym na zablokowanie. Zintegrowana elektroniczna regulacja mocy umożliwia płynną regulację różnicy ciśnienia. Przeznaczona do instalacji grzewczych, klimatyzacyjnych, solarnych i geotermalnych.
Wyposażenie standardowe
- Wstępnie ustawione tryby regulacji dla optymalnego dopasowania do obciążenia 
- Różnica ciśnienia: stała (?p-c, 3 charakterystyki) lub zmienna (?p-v, 3 charakterystyki) 
- Stała prędkość obrotowa (3 stopnie) 
- Zewnętrzne sterowanie sygnałem iPWM GT (ogrzewanie/geotermia) lub iPWM ST (systemy solarne) 
- Funkcja Sync – łatwe przeprogramowanie przy wymianie 
- Ręczne odpowietrzanie wirnika i ręczny restart 
- Wyświetlacz LED z sygnalizacją trybu, charakterystyki, błędów i stanu pracy 
- Wskaźnik stanu podczas odpowietrzania i restartu 
- Zintegrowana ochrona silnika i automatyczna funkcja odblokowania 
- Kabel z 3-biegunową wtyczką i Wilo-Connectorem 
- Złącze PWM 
- Korpus pompy z powłoką kataforetyczną 
Parametry hydrauliczne
- Maks. ciśnienie robocze: PN 10 bar 
- Maks. wysokość podnoszenia: 13,0 m 
- Maks. wydajność: 2,3 m3/h 
- Min. wysokość dopływu przy 50 °C: 0,5 m 
- Min. wysokość dopływu przy 95 °C: 3 m 
- Min. wysokość dopływu przy 110 °C: 10 m 
- Temperatura medium: -20 °C do +110 °C 
- Temperatura otoczenia: -10 °C do +40 °C 
Silnik
- Wskaźnik efektywności energetycznej (EEI): 0,23 
- Zasilanie: 1~230 V ±10 %, 50/60 Hz 
- Prędkość obrotowa: 2957–4807 obr./min 
- Pobór mocy: 1–75 W 
- EMC: EN 61000-6-3, EN 61000-6-2, EN 61800-3 
- Przepust kablowy: 1 × PG11 
- Klasa izolacji: F 
- Stopień ochrony: IPX4D 
Materiały
- Korpus pompy: EN-GJL-200 
- Wirnik: PP-GF40 
- Wał: 1.4122 
- Łożyska: grafit węglowy 
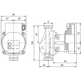
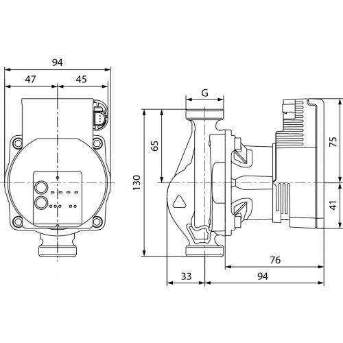
Wymiary
- Przyłącze (ssanie/tłoczenie): G 1" 
- Długość konstrukcyjna: 130 mm 
Zawartość zestawu
- Pompa 
- Kabel z 3-biegunową wtyczką i Wilo-Connectorem 
- Wilo-Connector 
- Uszczelnienia 
- Instrukcja montażu i obsługi 
Zdjęcia mogą różnić się od oryginalnego produktu/przedmiotu.


 
								 
								 
								 
  
				







