Twój Koszyk jest pusty!
Grundfos ALPHA2 GO
Grundfos ALPHA2 GO to wysokowydajna pompa obiegowa z silnikiem elektronicznie komutowanym ECM, przeznaczona do systemów grzewczych i klimatyzacyjnych. Zapewnia niezawodną cyrkulację medium przy bardzo niskim zużyciu energii.
W połączeniu z aplikacją mobilną Grundfos GO umożliwia szybkie ustawienie parametrów, diagnostykę pracy oraz optymalizację wydajności bezpośrednio na miejscu instalacji.
Zastosowanie
Cyrkulacja wody w instalacjach grzewczych i klimatyzacyjnych w budynkach mieszkalnych, komercyjnych i technicznych.
Zalety
- Wysoka efektywność energetyczna dzięki silnikowi ECM
- Tryb AUTOADAPT do automatycznego dopasowania pracy pompy
- Regulacja: stałe ciśnienie, proporcjonalne ciśnienie, stała charakterystyka
- Wejście PWM do precyzyjnego sterowania prędkością obrotową
- Ochrona przed suchobiegiem oraz automatyczne odpowietrzanie
- Wysoki moment rozruchowy i ceramiczna oś zapewniająca długą żywotność
- Diagnostyka i historia pracy poprzez aplikację Grundfos GO
- Szybkie podłączenie elektryczne bez użycia narzędzi
Jednostki sterujące
| • Przetwornica częstotliwości | Zintegrowana |
Ciecz
| • Pompowana ciecz | Woda |
| • Zakres temperatury cieczy | 2 do 110 °C |
| • Temperatura referencyjna | 20 °C |
| • Gęstość | 998,2 kg/m3 |
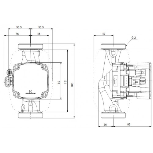
Parametry techniczne
| • Nominalny przepływ | 1,9 m3/h |
| • Nominalna wysokość podnoszenia | 3,26 m |
| • Orientacja głowicy pompy | 9H |
| • Certyfikaty | CE, VDE |
Materiały
| • Korpus pompy | Żeliwo EN 1561 EN-GJL-150 / ASTM A48M-150B |
| • Wirnik | Kompozyt PES 30% GF + PESU-GF20% |
| • Oś | Ceramika |
Montaż
| • Zakres temperatury otoczenia | 0 do 55 °C |
| • Maksymalne ciśnienie robocze | 10 bar |
| • Typ przyłącza | G |
| • Rozmiar przyłącza | 2" |
| • Klasa ciśnieniowa | PN 10 |
| • Długość montażowa | 180 mm |
Dane elektryczne
| • Zasilanie | 1 × 220–240 V, 50/60 Hz |
| • Pobór mocy P1 min. | 3 W |
| • Pobór mocy P1 max. | 37 W |
| • Maksymalny pobór prądu | 0,04 A / 0,4 A |
| • Stopień ochrony | IP44 |
| • Klasa izolacji | F |
| • Ochrona termiczna | Elektroniczna |
Zdjęcia mogą różnić się od oryginalnego produktu/przedmiotu.










